產品中心
Products
< 返回上一級
ebmpapst
-
后向離心風機
-
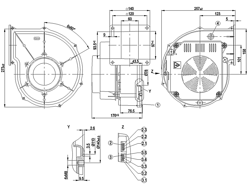
前向離心鼓風機
-
緊湊型風扇
-
A系列軸流風機
-
S系列軸流風機
-
W系列軸流風機
-
橫流風機
-
燃氣鼓風機
-
熱風鼓風機
-
電機
-
防爆風機
ZIEHL-ABEGG(施樂百)
WISTRO
rosenberg(洛森)
DELTA(臺達)
SUNON
行業(yè)應用
SANYO DENKI (山洋)
FULLTECH
S&P
NMB
IKURA
ROYAL
雷普
mdexx(美德克斯)
ADDA(協(xié)喜)
Hengrui
RC-TECHNIK
其他

.png)
.png)

.png)








